风机盘管有 7 种不同风量的标准规格(从 340 到 2100 m3/h),每种规格都配有 3 排或 4 排盘管,并可为 4 管路系统增加 1 排或 2 排盘管。这是最完整的系列,是满足所有空调要求的理想选择。





|
规格 |
机组 | HPL 13 | HPL 23 | HPL 33 | HPL 43 | HPL 53 | HPL 63 | HPL 73 |
| 空气流量 | 立方米/小时 | 535 | 860 | 1115 | 1340 | 1375 | 1635 | 2100 |
| 制冷量 | 千瓦 | 2,93 | 4,47 | 6 | 6,74 | 7,24 | 8,56 | 9,89 |
| 供暖能力 | 千瓦 | 3,31 | 5,18 | 6,99 | 8,11 | 8,38 | 9,5 | 11,54 |
| 电机输入功率 | W | 55 | 110 | 126 | 175 | 174 | 166 | 245 |
| 声功率 (Lw) | 分贝(A) | 51 | 55 | 57 | 63 | 62 | 61 | 66 |
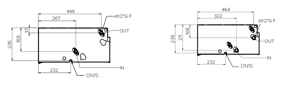
| 进水管/出水管 | 1/2" | 1/2" | 1/2" | 1/2" | 1/2" | 1/2" | 1/2" | |
| 冷凝水管 | 毫米 | DN15 | DN15 | DN15 | DN15 | DN15 | DN15 | DN15 |
| 规格 | 机组 | HPL 14 | HPL 24 | HPL 34 | HPL 44 | HPL 54 | HPL 64 | HPL 74 |
| 空气流量 | 立方米/小时 | 535 | 860 | 1115 | 1340 | 1375 | 1635 | 2100 |
| 制冷量 | 千瓦 | 3,37 | 5,45 | 6,95 | 7,42 | 8,01 | 9,55 | 11,29 |
| 供暖能力 | 千瓦 | 3,6 | 5,76 | 7,32 | 8,57 | 8,84 | 10,62 | 13,13 |
| 电机输入功率 | W | 55 | 110 | 126 | 175 | 174 | 166 | 245 |
| 声功率 (Lw) | 分贝(A) | 51 | 55 | 57 | 63 | 62 | 61 | 66 |
| 进水管/出水管 | 1/2" | 1/2" | 1/2" | 1/2" | 1/2" | 1/2" | 1/2" | |
| 冷凝水管 | 毫米 | DN15 | DN15 | DN15 | DN15 | DN15 | DN15 | DN15 |
| 规格 | 机组 | HPL 13-4T/1R | HPL 23-4T/1R | HPL 33-4T/1R | HPL 43-4T/1R | HPL 53-4T/1R | HPL 63-4T/1R | HPL 73-4T/1R |
| 空气流量 | 立方米/小时 | 535 | 860 | 1115 | 1340 | 1375 | 1635 | 2100 |
| 制冷量 | 千瓦 | 2,93 | 4,47 | 6 | 6,74 | 7,24 | 8,56 | 9,89 |
| 供暖能力 | 千瓦 | 2,5 | 3,7 | 4,87 | 5,48 | 5,79 | 6,93 | 8,12 |
| 电机输入功率 | W | 55 | 110 | 126 | 175 | 174 | 166 | 245 |
| 声功率 (Lw) | 分贝(A) | 51 | 55 | 57 | 63 | 62 | 61 | 66 |
| 进水管/出水管 | 1/2" | 1/2" | 1/2" | 1/2" | 1/2" | 1/2" | 1/2" | |
| 冷凝水管 | 毫米 | DN15 | DN15 | DN15 | DN15 | DN15 | DN15 | DN15 |
在下列运行参数下给出了特性:
静压:0Pa
冷却:进气温度 +27 °C,湿度 +19 °C。进水/出水温度。+7/12 °C.
加热:入口空气温度 +20 °C。进水/出水温度。+50/45 °C.
4 管道供暖系统:入口处空气温度 +20 °C。进水/出水温度。+65/55 °C.

注:
(*) - 盘管连接在左侧
(**) - 附加冷凝水盘(选件)
(***) - 吸入框尺寸:E x 119 毫米
(****) - 外径

注
(*) - 盘管连接在左侧
(**) - 附加冷凝水盘(选项)
(***) - 吸入框架尺寸:E x 119 毫米
(****) - 外径
| 型号 | 单位 | HPL 1 | HPL 2 | HPL 3 | HPL 4 | HPL 5 | HPL 6 | HPL 7 |
| D | 毫米 | 689 | 904 | 1119 | 1119 | 1334 | 1549 | 1549 |
| E | 毫米 | 645 | 860 | 1075 | 1075 | 1290 | 1505 | 1505 |
| F | 毫米 | 669 | 884 | 1099 | 1099 | 1314 | 1529 | 1529 |
3 排或 4 排线圈/附加加热线圈(1 排或 2 排)

| 型号 | 单位 | HPL 1 | HPL 2 | HPL 3 | HPL 4 | HPL 5 | HPL 6 | HPL 7 |
| 3 行 | 公斤 | 18,5 | 25,4 | 26,5 | 27,9 | 38,4 | 47,2 | 47,4 |
| 3+1 行 | 公斤 | 19,7 | 26,9 | 28,3 | 29,7 | 40,3 | 49,5 | 49,7 |
| 4 行 | 公斤 | 19,5 | 26,7 | 27,9 | 29,0 | 39,8 | 48,9 | 49,1 |